Autor Wątek: Modyfikacje TM HOTAS Cougar  (Przeczytany 30879 razy)

0 użytkowników i 1 Gość przegląda ten wątek.

Odp: Modyfikacje TM HOTAS Cougar
« Odpowiedź #105 dnia: Grudnia 02, 2016, 13:37:16 »
Minimalne wzmocnienie INA122 to 5x, jak widać, za dużo dla danego układu. Poza tym pin 5 (Ref) podłączyłbym do potencjału, który układ ma w środkowym położeniu, czyli 2.5V, a nie do masy.
Wzmocnienie można zmiejszyć dodając dwa rezystory na zewnątrz, wartość trzeba dobrać doświaczalnie. Może nawet lepiej użyć mniejszej wartości, np. 20k, a wzmocnienie dostroić już przy pomocy Rg.

http://i.imgur.com/cvfNoLp.gif

Ucierpi co prawda CMR, ale może to rozwiązanie będzie wystarczające. Zakładamy oczywiście, że rezystory w gałęziach mostka mają rezystancję zbliżoną do tensometrów w zerowym położeniu.
« Ostatnia zmiana: Grudnia 02, 2016, 18:33:10 wysłana przez KosiMazaki »

Odp: Modyfikacje TM HOTAS Cougar
« Odpowiedź #106 dnia: Grudnia 02, 2016, 14:41:15 »
Dzięki za sugestie 3.14ter, po cichu liczyłem na Twoją pomoc ;) Spróbuję dzisiaj zrobić tak jak napisałeś z dodatkowymi rezystorami i pełnym mostkiem na czterech tensometrach, zobaczymy co z tego wyjdzie. O ile dobrze rozumiem, sugerujesz aby pin 5 układu wpiąć poprzez rezystor R2 w pin 1, tam gdzie potencjometr GAIN?
Oczywiście rezystory w mostku dawałem jak najbardziej zbliżone do rezystancji tensometrów (w spoczynku). Jednak parametrom mostka było daleko do tego który był oparty na czterech tensometrach. Właściwie to nie wiem czy nie lepiej było by iść właśnie w kierunku oryginalnego rozwiązania z X-65F, stosując mostek z czterech tensometrów. Wtedy jest duża szansa że można będzie pomyśleć, aby w docelowym rozwiązaniu wykorzystać tensometry z wagi łazienkowej. Wtedy koszty wykonania całego urządzenia były by nieporównywalnie mniejsze. Odpada operacja klejenia tensometrów i problemów z tym związanych. Sama "mechanika" drążka też była by łatwiejsza do wykonania.

Odp: Modyfikacje TM HOTAS Cougar
« Odpowiedź #107 dnia: Grudnia 02, 2016, 15:23:46 »
W schemacie wkradł się błąd, przerysowałem go z symulatora LTSpice, gdzie górny wzmacniacz miał odwrócone + z -.
Jeszcze raz:


Cały "myk" polega na zmniejszeniu wartości rezystorów 100k przez równoległe podłączenie do nich dwóch innych.

Odp: Modyfikacje TM HOTAS Cougar
« Odpowiedź #108 dnia: Grudnia 02, 2016, 15:40:43 »
Wszystko jasne, postaram się to jak najszybciej przetestować. Dzięki :)

Odp: Modyfikacje TM HOTAS Cougar
« Odpowiedź #109 dnia: Grudnia 05, 2016, 19:20:39 »
Wrzucam dla potomności, może komuś się przyda. Tak wygląda transmisja danych między bazą, a drążkiem w Cougarze:


Odp: Modyfikacje TM HOTAS Cougar
« Odpowiedź #110 dnia: Grudnia 08, 2016, 08:52:11 »
Super wykres dzięki. Ja sprawdziłem swoją przepustnicę tzn. schemat połączeń.

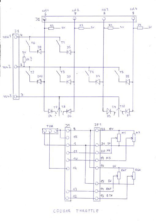
Zrobiłem schemat dla przepustnicy Cougara. Schemat jest tak zrobiony aby pokazał funkcjonalność elektroniki, dlatego jest na nim pokazana tylko część złącza 22 stykowego realizująca połączenia analogów. Zrobiłem to celowo aby nie zaciemniać schematu. Na diagramie pod linkiem http://cougar.flyfoxy.com/circuits.php jest schemat połączeń i wyprowadzeń na złącze 22 stykowe przełączników, przycisków oraz analogów. Sprawdziłem omomierzem czy jest zgodność z działaniem elektroniki tzn. elementy na chwycie trottle oraz wyprowadzenia na złącze 22 stykowe, jest o.k.
Na płytce ozn. 170-002-G są diody oraz rezystory i złącze 16 stykowe. Złącze 16 stykowe jest połączone z sznurem zakończonym 15 stykowym wtykiem (3x5), który jest połączony do kontrolera Cougara.
Schemat jest czytelny i nie ma sensu go omawiać. Można pod złącze 3 stykowe THR podłączyć zamiast potencjometru inny sensor np. Hall.
Sprawdzałem płytkę przepustnicy omomierzem i natrafiłem na pewien "błąd", który próbowałem wyjaśnić, ale się nie udało.
Wyjaśnię o co chodzi. Wspomniana płytka ma na druku 2 miejsca ozn. U1 oraz U2, które nie są obsadzone elementami, ma też dwa rezystory R6 i R7, które nie mają znaczenie dla tego schematu. Jest natomiast jeden rezystor R1, który wg. mojej oceny powinien być usunięty. Na schemacie matrycy widać, że jego działanie jest szkodliwe. Nie mam pojęcia dlaczego mój kontroler dla przycisków T12-T5 jednak działa, chociaż powinien być problem.
Znalazłem wprawdzie pod tym linkiem http://www.viperpits.org/smf/index.php/topic,10669.0.html informację na temat R1, ale w innym miejscu i związanym z modem Hall oraz napięciem zasilania starszych płytek dla przepustnicy. Może ktoś coś wie na ten temat.
Generalnie schemat przepustnicy jest bardzo prosty i łatwo zamienić kontroler Cougara dowolnym innym sterownikiem posiadającym 5 analogów oraz matrycę 5x3.    

Odp: Modyfikacje TM HOTAS Cougar
« Odpowiedź #111 dnia: Grudnia 08, 2016, 17:16:23 »
R1 to zwykły "pull-up". Niczemu nie szkodzi, nawet jeśli nie jest potrzebny. Może okazało się tak, że przez długi kabel do joysticka row2 łapał jakieś śmieci i czasami generował przypadkowe naciśnięcia, tym bardziej, że podczas skanowania matrycy stany sąsiednich linii są cały czas przełączane. Podwieszenie linii row2 do VCC nieco ją uodporniło na zamieszanie panujące w okolicy.

W sumie to do obsługi przepustnicy wystarczyłoby jakieś małe ProMicro. Chyba nie trzeba tu aż 16 bitów. 10 powinno starczyć, można tylko dodać jakiś przedwzmacniacz na wejście THR. Przydałby się np. przy użyciu czujnika Halla zamiast potencjometru. Trzeba tylko napisać jakąś funkcję do czytania matrycy (pewnie już ktoś to zrobił).
Problem z Arduino jest tylko taki, że w systemie ciągle będzie widziane jako "Arduino Leonardo".  Nieleleganckie rozwiązanie ;)

Odp: Modyfikacje TM HOTAS Cougar
« Odpowiedź #112 dnia: Grudnia 08, 2016, 17:36:42 »
Może masz rację z tym zabezpieczeniem przed zakłóceniami. Połączenia przepustnicy z kontrolerem po kablu to u mnie 2 m (mam przedłużony kabel) i mogą być zakłócenia. Zauważyłem błąd na moim schemacie przy przełączniku T7 powinna być dioda D9 a nie D4 (moja pomyłka).

Odp: Modyfikacje TM HOTAS Cougar
« Odpowiedź #113 dnia: Lutego 08, 2017, 21:48:51 »
A tymczasem mój Cougar otrzymał prosty i tani, aczkolwiek skuteczny mod w postaci czujników SS495A. Nową ośkę wykonałem z pręta węglowego 5mm. Mocowanie z kawałków laminatu i płytki uniwersalnej.




Różnica jest. Te oryginalne potencjometry mają 100k i przy pracy wyraźnie widać skakanie suwaka co jakiś czas i poszarpany przebieg:



Po zmianie potencjometrów na czujniki i analogowej kalibracji osi jest o wiele lepiej:



Szukając po różnych forach trafiłem na informację, że te potencjometry
774-251B12T104A2NB (nr. w katalogu Mousera) niby są zamiennikiem.
Otóż nie są, miałem zamówić parę na zapas, ale okazało się, że te posiadają ośkę 3.95mm, a oryginalne w Cougarze są 5mm.
Tak ku ewentualnej przestrodze, gdyby ktoś szukał.

Odp: Modyfikacje TM HOTAS Cougar
« Odpowiedź #114 dnia: Lutego 13, 2017, 11:38:14 »
Dostałem właśnie złączki, o których wspominałem parę postów wcześniej. Pasują, mogę oficjalnie potwierdzić, że złącza między drążkiem, a podstawą w Cougarze i Warthogu są kompatybilne z serią MD-50 (producent: CUI)
http://eu.mouser.com/Connectors/Audio-Video-Connectors/DIN-Connectors/_/N-778d5?P=1yzvegrZ1yvgcgz

sunrrrise

  • Gość
Odp: Modyfikacje TM HOTAS Cougar
« Odpowiedź #115 dnia: Czerwca 14, 2018, 21:09:41 »
Cześć,
jestem na etapie projektowania płytki do Suncoma Talona zgodnej z TM Cougar/Warthog. Wiem, że są gotowe układy, ale mój chce w miarę możliwości uzgodnić z prawdziwym F-15E to znaczy zamierzam użyć joysticków MT-02 pod CMS, Castle Switch i Trim Switch. Potrzebowałbym jednak prostej rozpiski przycisków na rejestr przesuwny, na przykład:

CD4021#1: PIN#8: First Stage Trigger
...
CD4021#3: PIN3: DMS Up

Widzieliście gdzieś taką dokumentację? Ta z Foxy dokumentująca kolory jest do kitu.