Autor Wątek: Kontrolery Arduino  (Przeczytany 53233 razy)

0 użytkowników i 1 Gość przegląda ten wątek.

Odp: Kontrolery Arduino
« Odpowiedź #270 dnia: Października 11, 2016, 15:07:56 »
Dzięki za diagram, w sieci faktycznie jest ich dużo, ale ten ma potrzebne oznaczenia ( fioletowe). Mój plan to zrobienie kolejnego modelu na dwóch NANO z kolejnymi adresami. Następie utworzę łańcuch z 2 płytek, na jednej jest master oraz slave z ProMicro na drugiej wspomniane slave z dwóch NANO. Jeśli będzie działać to podłączę do symulatora i zobaczymy jak to zadziała. Na koniec zrobię schemat z NANO pod 7segLED oraz 48 LED.
Chciałbym już teraz podziękować Piotrowi za wspaniały prezent dla pitbuilderów. Można za pomocą tego projektu zrealizować dowolną liczbę LED oraz 7segLED korzystając tylko z jednego USB bez konwertera. Realizacja jest bardzo tania. Dodatkowa korzyść to rozproszony hardware (dekompozycja), mniej potrzeba kabli. Oczywiście bez HSC byłoby to niemożliwe, dzięki codeking za platformę .
Oczywiście nic nie stoi na przeszkodzie aby zaprojektować pcb pod te warianty.

Odp: Kontrolery Arduino
« Odpowiedź #271 dnia: Października 14, 2016, 15:47:44 »
Zrobiłem testy w układzie pokazanym na zdjęciu. Na pierwszej płytce są 2 moduły ProMicro o adresach 21 master oraz 22 slave. Na drugiej płytce są 2 układy NANO slave o adresach 23 oraz 24. Układy są połączone równolegle do szyny danych TX z master. Do ProMicro o adresie 21 mogę podłączyć LED lub 7segLED (konfiguracja w HSC) do 22 tylko LED do 23 LED oraz do 24 7segLED.
Testy wykonałem dla konfiguracji 40 oraz 48 oraz dla 5 lub 6 cyfr 7segLED.
Wyniki są prawidłowe oprócz przypadku 6 cyfr dla NANO.
Wyniki testów.
ProMicro
Opcja 48 LED   opcja 40 LED
D19   1-8       D6    1-8
D6   9-16       D5    9-16
D5   17-24     D4   17-24
D4   25-32     D3   25-32
D3   33-40     D2    33-40
D2   41-48

Opcja 6 cyfr      opcja 5 cyfr
uP   HSC      uP   HSC
D19   006      D19   no
D6   005      D6   005
D5   004      D5   004
D4   003      D4   003
D3   002      D3   002
D2   001      D2   001

UNO
Dla 48 LED oraz 40 LED wyniki takie same jak dla ProMicro.
Dla opcji 5 cyfr (7segLED) wyniki takie same jak dla ProMicro.
Dla opcji 6 cyfr są różne.
Opcja 6 cyfr
uP   HSC
D19   006
D6   001
D5   004
D4   003
D3   002
D2   001
Po wyjaśnieniu tych rozbieżności zrobię schematy na podstawie których można zrobić pcb. Wyjaśnię także gdzie zmieniać adresy oraz master/slave w programie Piotra.



Odp: Kontrolery Arduino
« Odpowiedź #272 dnia: Października 14, 2016, 16:48:01 »
Na czym polegają te różnice w wyświetlaniu szóstej cyfry w Nano? W ogóle nie działa? Pojawiają się krzaki?
Trochę dziwne, że 48 pojedynczych LEDów działa w porządku, a wyświetlacz nie. Gdyby był jakiś błąd w programie, LEDy również nie działałyby prawidłowo.

Odp: Kontrolery Arduino
« Odpowiedź #273 dnia: Października 14, 2016, 17:58:53 »
Dla NANO dla 5 cyfr jest tak jak dla ProMicro czyli ok :
uP   HSC
D19   brak
D6   005
D5   004
D4   003
D3   002
D2   001

Dla 6 cyfr też zapalają się cyfry tylko  D2 i D6 zapala tę sama pozycję czyli 001 (pierwsza cyfra). Na moim testerze mam tylko 5 cyfr 7segLED, jedną przełączam
NANO dla 6 cyfr
 uP   HSC
D19   006
D6   001 powinno być 005
D5   004
D4   003
D3   002
D2   001

Odp: Kontrolery Arduino
« Odpowiedź #274 dnia: Października 14, 2016, 18:08:59 »
Takie mam pytanko. Chcę podłączyć do Arduino  takie wyświetlacze numeryczne. Dokładnie 1 zestaw 5-cio cyfrowy i 1- zestaw 4 cyfrowy. Marcin B mówił, że po podłączeniu 2-ch takich zestawów do jednego UNO czy NANO, wyświetlacze mrużyły (migotały). Czy to sprawa za słabego zasilania, nie wiem czy dopinał dodatkowe. Czy może MEGA da radę  tym dwóm zestawom  ?
Latamy dzisiaj?

Oficer polityczny Padi-Van. (Prostak-1)

Odp: Kontrolery Arduino
« Odpowiedź #275 dnia: Października 14, 2016, 19:20:43 »
Wyświetlacze są multipleksowane. Znaczy to, że Arduino wyświetla tylko jedną cyfrę naraz i przemiata przez wszystkie na tyle szybko, że oko tego nie zauważa. Dodanie każdej cyfry zmniejsza tą szybkość aż do momentu, gdy przemiatanie stanie się widoczne dla oka. Można temu zaradzić zwiększając częstotliwość multipleksera. Dużo zależy od programu i tego, co procesor musi robić opócz obsługi wyświetlaczy. Może się okazać, że przyspieszenie wyświetlacza nie będzie możliwe, bo timer robi coś tam jeszcze innego i wymagany jest taki, a nie inny interwał. Cieżko powiedzieć bez rzucenia okiem na kod.

Odp: Kontrolery Arduino
« Odpowiedź #276 dnia: Października 14, 2016, 19:33:01 »
Ooooo ale to by wiele wyjaśniało, wszystko jest oparte na DCS Bios więc tu lepiej nie mieszać he he he. Lepiej wstawić dwa i mieć spokój, jedyny problem to następny kabel USB. Chyba, że  jest metoda łączenia płytek między sobą... Do tych wyświetlaczy dojdą jeszcze 3 potencjometry, 3 przełączniki dźwigniowe on-off, 1 obrotowy 5 polowy oraz 4 enkodery. Miałem zamiar to opędzić na Arduino Mega, zobaczę , może migotanie nie będzie dla mnie takie upierdliwe.
Latamy dzisiaj?

Oficer polityczny Padi-Van. (Prostak-1)

Offline Marcin_B

  • *
  • MABO
Odp: Kontrolery Arduino
« Odpowiedź #277 dnia: Października 14, 2016, 21:04:30 »
U mnie pod Arduino są tylko wyświetlacze, reszta śmiga pod DMK8. Dzięki temu mogę ich używać pod innymi modułami a nie tylko A-10C.

Odp: Kontrolery Arduino
« Odpowiedź #278 dnia: Października 14, 2016, 21:05:46 »
Tak wiem, wiem Marcinie, u mnie wszystko idzie na Arduino. No prawie, bo UFC będzie na DMK8.  Miałem - mam tylko nadzieję, że mój panel  TACAN-ILS-LIGHT EXT zrobię na jednym układzie, by nie mnożyć kabli USB.
Latamy dzisiaj?

Oficer polityczny Padi-Van. (Prostak-1)

Offline Marcin_B

  • *
  • MABO
Odp: Kontrolery Arduino
« Odpowiedź #279 dnia: Października 14, 2016, 21:09:35 »
Ja bez HUBów bym nie dał rady :)

Odp: Kontrolery Arduino
« Odpowiedź #280 dnia: Października 14, 2016, 21:11:35 »
No ja też mam, tylko miałem nadzieję na układ   1 panel = 1 kabel .
Latamy dzisiaj?

Oficer polityczny Padi-Van. (Prostak-1)

Odp: Kontrolery Arduino
« Odpowiedź #281 dnia: Października 14, 2016, 22:32:38 »
Jutro sprawdzę na pinach NANO D2, D3, D4, D5, D6 oraz D19 woltomierzem wybierając kolejno w HSC 001 - 006. Dziwne jest to, że 6 grup dla LED jest ok, podobnie 5 cyfr dla opcji 5 7segLED.
Marcin szkoda, że HSC nie obsługuje DCS. W HSC wystarczy 1 USB, moduły Arduino łączy się równolegle do TX  z master. LED oraz 7segLED zasilane są z zewnętrznego zasilacza a nie z USB, dodatkowo jest multipleksowanie co zmniejsza pobór prądu.

Odp: Kontrolery Arduino
« Odpowiedź #282 dnia: Października 15, 2016, 07:57:42 »
Sprawa się wyjaśniła jest ok. Jak zwykle problem był trywialny. Mam w testerze 5 cyfr, dlatego muszę dla opcji 6 cyfr wyświetlać na jednym wyświetlaczu 2 cyfry z UNO. Robię to przełączając na modelu te dwie cyfry.
Projekt simOUT zrealizowany na ProMicro oraz UNO można uważać za zakończony. Zrobię schematy dla tych modułów. Możliwa jest realizacja 4 płyt : ProMicro z interfejsem LED lub 7segLED oraz UNO z tymi samymi interfejsami. Opcje wyboru 40 lub 48 LED ustawiamy w konfiguracji HSC podobnie 5 lub 6 cyfr.
Adres modułu oraz wybór master/slave w programie Piotra. Napiszę o tym później. Proszę pytać jeśli są wątpliwości.

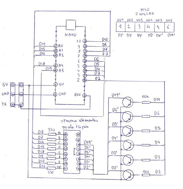
Odp: Kontrolery Arduino
« Odpowiedź #283 dnia: Października 15, 2016, 21:32:12 »
Tak jak obiecałem, jest to schemat slave zrobiony na bazie NANO realizujący sterowanie wyświetlaczy 7segLED.



Z schematu wszystko wynika. Łączymy go 3 przewodami podobnie jak w starym SimOUT z pozostałymi płytkami. Schemat bardzo prosty i jego realizacja bardzo tania. Jutro postaram się zrobić pozostałe schematy.

Odp: Kontrolery Arduino
« Odpowiedź #284 dnia: Października 16, 2016, 09:50:21 »
Kolejny schemat tym razem master realizujący sterowanie wyświetlaczy 7segLED i zrealizowany na ProMicro.
Master


Płytki slave zrobione z NANO oraz 7segLED podobnie jak LED są zasilane z zewnętrznego zasilacza 5V.