Autor Wątek: Kontrolery Arduino  (Przeczytany 57593 razy)

0 użytkowników i 1 Gość przegląda ten wątek.

Odp: Kontrolery Arduino
« Odpowiedź #285 dnia: Października 16, 2016, 13:57:26 »
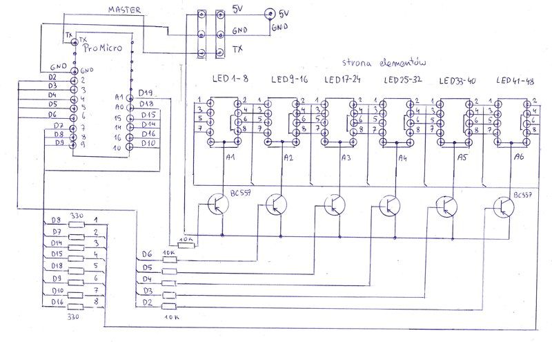
Schemat master realizujący sterowanie 48 LED. Pozostał jeszcze jeden schemat do zrobienia i będzie komplet.


Odp: Kontrolery Arduino
« Odpowiedź #286 dnia: Października 17, 2016, 09:55:28 »
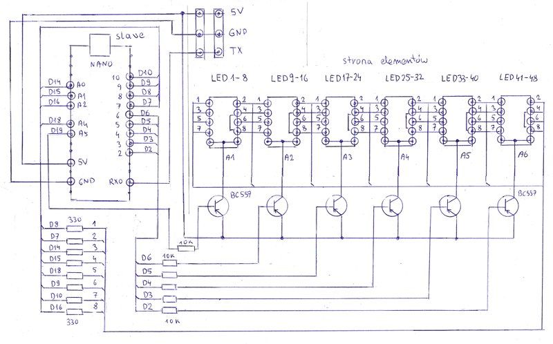
Ostatni schemat płytki realizującej sterowanie 48 LED zrobiony na NANO.



Mamy do dyspozycji 4 różne płytki realizujące sterowanie 48 LED lub 6 cyfr 7segLED oparte na ProMico oraz NANO. Możemy je łączyć w łańcuch w zależności od naszych potrzeb. Tylko jedna płytka pracuje jako master i jest połączona z pc przez USB, pozostałe są slave podobnie jak w starej wersji simOUT. Wszystkie płytki mają swoje adresy, które wpisujemy do programu Piotra simOUT_LEDs_slave328 oraz simOUT_LEDs w IDE.
Wpisujemy w lini 54 adres modułu np. 23
const uint8_t devAddress = 23
Reasumując master jest zrobiony na bazie ProMico a slave na NANO.
Celowo nie napisałem o innych możliwościach aby nie komplikować. Wspomnę tylko jako ciekawostkę, że można ProMicro także zaprogramować jako slave. Jeśli stosujemy w projekcie tylko jedną płytkę master to można zamiast zewnętrznego zasilania LED lub 7segLED użyć napięcia 5V z USB, powinno wystarczyć przy multipleksowaniu LED. Na tym kończę testowanie projektu. Może przy okazji sprawdzę w symulatorze, ale nie powinno być problemów. Na koniec chcę podziękować Piotrowi za wspaniały prezent. Jest to duży postęp w porównaniu do starej wersji simOUT. Moduły ProMicro oraz NANO są dostępne i tanie.

Odp: Kontrolery Arduino
« Odpowiedź #287 dnia: Lutego 13, 2017, 13:21:27 »
Mam pyatnie odnośnie włączania samego Arduino. Zaobserwowałem drobną różnicę między Arduino Uno a Mega (w zasadzie działania).
Mianowicie na początku oczywiście trzeba podłączyć Arduino za pomocą USB i właczyć plik " connect-serial-port.cmd", potem DCS-a i misję. Jeśli z jakiegoś powodu, w czasie gry, odłączymy  Arduino UNO od USB lub zamkniemy plik "connect-serial-port.cmd", możemy go ponownie włączyć w czasie gry i wszystko zacznie działać. W Arduino MEGA już tak nie jest, trzeba koniecznie wyłączyć misję i załadować ją ponownie, w innym przypadku Arduino MEGA nie zadziała tak jak to robi Aduino UNO.
Czy jest jakiś sposób by działała tak jak UNO, jakiś wpis do Arduino, czy ten typ już tak ma i już ?
« Ostatnia zmiana: Lutego 13, 2017, 13:49:15 wysłana przez KosiMazaki »
Latamy dzisiaj?

Oficer polityczny Padi-Van. (Prostak-1)

Odp: Kontrolery Arduino
« Odpowiedź #288 dnia: Lutego 16, 2017, 11:19:08 »
Czy z Arduino zadziała enkoder magnetyczny COPAL, taki jak ten:  http://allegro.pl/promocja-enkoder-encoder-impulsator-copal-250-a-b-i6694614957.html#thumb/2  ?
Ma to być do ustawiania kursu na HSI, ze zwykłym enkoderem bym chyba oszalał, ten ma 250 inp. 
Latamy dzisiaj?

Oficer polityczny Padi-Van. (Prostak-1)

Odp: Kontrolery Arduino
« Odpowiedź #289 dnia: Lutego 17, 2017, 10:26:20 »
No i jak koledzy, nikt nie wie ? Szkoda mi 70zł na test wydać...
Latamy dzisiaj?

Oficer polityczny Padi-Van. (Prostak-1)

Odp: Kontrolery Arduino
« Odpowiedź #290 dnia: Lutego 17, 2017, 11:03:54 »
Z fizycznym podłączeniem nie powinno być problemu. Pytanie tylko czy te wbudowane w biblioteki (zakładam, że chcesz to użyć w DCSbios?) procedury obsługi enkoderów nie będą gubić kroków. Przy 250 krokach na obrót podejrzewam, że tak.

Odp: Kontrolery Arduino
« Odpowiedź #291 dnia: Lutego 17, 2017, 12:11:15 »
Mam HSI na zwykłym tanim enkoderze i nie ma problemu działa pod HSC codeking. Możesz kupić od 3.14ter niezawodne rozwiązanie dla enkodera, ale to też jest wydatek. Za niezawodność trzeba niestety zapłacić.

Odp: Kontrolery Arduino
« Odpowiedź #292 dnia: Lutego 17, 2017, 14:02:00 »
Zwykły enkoder jak będzie miał 20-30 kroków to już chyba max, jak będę chciał  ustawić z 0 stopni na 180 to go chyba urwę  albo ukręcę...  Są jeszcze optyczne, 60 kroków to już coś, ale czy te będą działać?
Latamy dzisiaj?

Oficer polityczny Padi-Van. (Prostak-1)

Odp: Kontrolery Arduino
« Odpowiedź #293 dnia: Lutego 17, 2017, 14:18:20 »
Od strony programowej robi się to zazwyczaj tak, że jest dodatkowa opcja typu "acceleration". Im szybciej kręci się enkoderem tym większe są skoki wartości. Zajrzałem do kodu DCBbios, niestety używają prościutkiej obsługi enkodera, który "odpytywany" jest co jakiś czas, bardzo prawdopodobne, że będzie gubił kroki.
Jest jeszcze biblioteka "ClickEnkoder" pod Arduino, która ma tą funkcję przyspieszania zaimplementowaną. Pewnie można jakoś obie pożenić, w sensie DCSbios i ClickEnkoder...
Obiawiam się, że nawet moja płytka do enkodera (którą można sobie również zbudować samemu, pojekt jest dostępny tutaj) tu nie pomoże, a wręcz zwolni obsługę, bo zlicza kroki enkodera i potem je "wyklikuje" ze stałą mniejszą prędkością. 

Odp: Kontrolery Arduino
« Odpowiedź #294 dnia: Lutego 17, 2017, 14:26:17 »
Ile najwięcej kroków może mieć taki zwykły enkoder?
Latamy dzisiaj?

Oficer polityczny Padi-Van. (Prostak-1)

Odp: Kontrolery Arduino
« Odpowiedź #295 dnia: Lutego 17, 2017, 14:32:10 »
Cytuj
Od strony programowej robi się to zazwyczaj tak, że jest dodatkowa opcja typu "acceleration". Im szybciej kręci się enkoderem tym większe są skoki wartości
Tak było w MJoy16. Z drugiej strony jaki problem obrotu gałką jeśli obserwuję efekty tego obrotu na ekranie LCD, nawet jeśli gubi impulsy to można to korygować.

Odp: Kontrolery Arduino
« Odpowiedź #296 dnia: Lutego 17, 2017, 22:04:22 »
Ile najwięcej kroków może mieć taki zwykły enkoder?
To zależy od piszącego obsługę tego enkodera, w jaki sposób odczytuje stany wyjść. Jeśli przy tych, które masz obecnie zdarza się, że gubi kroki przy szybkim kręceniu, to lepiej niestety nie będzie.

A jeszcze wracając do mojej bilbioteki Joysticka na Arduino. Podczas testów, żeby program w ogóle ruszył, wymagane będą rezystory pull-up ok. 4k7 na liniach I2C, nawet jeśli się nie używa kości MCP23017. Bez tego program zatrzyma się gdzieś w pętli w bibliotece Wire i będzie czekał.
Z ciekawości sprawdziłem czy DSC wykryje więcej przycisków niż 32. Owszem, widzi pełne 128 sztuk:



Windowsowy tester joysticków bez problemu pokazuje również 4 HATy - innymi kolorami.

Odp: Kontrolery Arduino
« Odpowiedź #297 dnia: Lutego 18, 2017, 00:11:45 »
Podobnie chyba z osiami jest ;)

Odp: Kontrolery Arduino
« Odpowiedź #298 dnia: Lutego 18, 2017, 01:47:33 »
Czyli chyba z mechanicznych zostaje mi taki 30 imp na obrót.... ?
Latamy dzisiaj?

Oficer polityczny Padi-Van. (Prostak-1)

sunrrrise

  • Gość
Odp: Kontrolery Arduino
« Odpowiedź #299 dnia: Marca 20, 2017, 13:35:30 »
Cześć,
czy wiecie może jak wydłużyć okres minimalnego kliknięcia przycisku? Aktualnie wynosi on 3-4ms, a pewnie wiecie, że dla Il2 BoS to za mało by przechwycić akcję. 25ms to rozsądne minimum. Pytanie jest ogólnie o Arduino, ale gdyby ktoś wskazał fragment w bibliotece/kodzie 3.14tera to byłbym mocno dźwięczny ;)