Autor Wątek: Arduino - bibloteka Joystick.h, przyciski, Hat i układ 4021.  (Przeczytany 3271 razy)

0 użytkowników i 1 Gość przegląda ten wątek.

Arduino - bibloteka Joystick.h, przyciski, Hat i układ 4021.
« dnia: Grudnia 03, 2017, 18:55:16 »
Witam.
Chciałbym prosić kolegów o pomoc i porady w napisaniu KOD-u do obsługi  Joysticka z osią X i osią Y oraz z  przyciskami i HAT na działającej bibliotece  Joystick.h.  Jak wiadomo można Arduino - ATmega32u4 powiązać z aplikacją MMJoy-2 do obsługi Joysticka z osiami i przyciskami, ale jest to aplikacja, która ogranicza np. ilość HAT-ów do jednego - sprawdzałem i testowałem rożne wersje MMJoy-2. A druga sprawa to chciałbym, aby każdy z użytkowników wirtualnego latania mógł sobie sam spróbować podłączyć Arduino z Joystickiem. Odnośnie KOD-u w Arduino to miałby się składać z dwóch projektów Projekt A, który obejmuje sprawnie działający KOD-u i jeden rejestru przesuwnego "4021"(8sztuk switch)  oraz Switche  i HAT-y.  Jak już KOD Projektu A będzie  działał poprawnie to można przejść do napisania KOD-u  Projekt B. Projekt B jest bardziej przydatny, bo składać się będzie z dwóch rejestrów (2x4021), czyli  16 wyjść co jest optymalnym rozwiązaniem dla większości Joysticków  np.  2 HAT-y (składa się z 8sztuk switch)  i zostaje pozostaje 8 wyjść do wykorzystania dla np.   8 sztuk przycisków.

Uwagi:
Biblioteka Joystick.h  (sprawdzałem) działa na Arduino środowisko IDE  ver.1.8.5, bibliotekę  ArduinoJoystickLibrary-version-2.0 można pobrać stąd i rozpakowaną zawartość przenosimy  do zainstalowanego Środowiska Arduino - c:\Users\[TwojeKonto-PC]\Documents\Arduino\libraries\ 

Zawartość biblioteki "Joystick.h"  ArduinoJoystickLibrary-version-2.0.zip :
Joystick (katalog)
.gitignore
depoy
deploy.sh
LICENSE
README.md

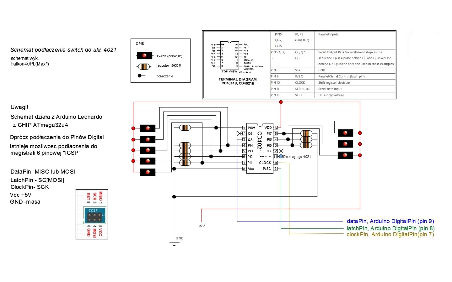
Projekt A.  KOD osie X, Y, przyciski, HAT z 1x4021
Schemat, diagram - podłączenie


Dokumenty do wydruku w pdf
Arduino-Schemat-1x4021-Dok.A4-poziomy.pdf
Arduino-Diagram-1x4021-Dok.A4-poziomy.pdf


Źródło informacji - Arduino-LeonardoMicro-as-Game-ControllerJoystick

KOD- podstawowy  biblioteki Joystick dla Osi X i Y

#include <Joystick.h>
Joystick_ Joystick;

void setup() {
//------------------------------------
Joystick.begin();  // ---- tu info. >>> http://www.instructables.com/id/Arduino-LeonardoMicro-as-Game-ControllerJoystick/
//------------------------------------
}
void loop(){
  //------------------- Osie dla Joystika X,Y 
      //------------- os X
      int xAxis=analogRead(A0);// pin Analogowy
      xAxis=map(xAxis,0,1023,-127,127);
      Joystick.setXAxis(xAxis);
     //-------------- os Y
      int yAxis=analogRead(A5); //pin Analogowy
      yAxis=map(yAxis,0,1023,-127,127);
      Joystick.setYAxis(yAxis);
  //----------------------------------------
 
}

Fragment działającego KOD-u przycisku
[size=8pt]void setup() {
  Joystick.begin();

  pinMode(3,INPUT_PULLUP); //-------- inicjacja jednego przycisku switch dla pin Digital nr 3
}

void loop(){
  //---------------------przycisk Switch dla pin nr 3
  int button0Val=digitalRead(3); // perzyciski od nr 1- 32, ustawienie dla - !buttonXXVal(0-31)
  Joystick.setButton(0, !button0Val); //przycisk 1, 
}[/size]

Fragment niedziałającego KOD-u HAT
void setup(){
  Joystick.begin();
  pinMode(2,INPUT_PULLUP);//innicjalizacja Przycisku Hat
}
void loop(){
  //------------------HatSwitch
   //int hatSwitch=0;  //markery  RED, Blue dla HAT: 0 kolor HAT nr 1,
   //int switch1=digitalRead(2);
   //Joystick.setHatSwitch(hatSwitch,90);
}



KOD-y źródło z użyciem ukł. 4021 jednego jak i dwóch Parallel to Serial Shifting-In with a CD4021BE
Przykładowy Kod  jednego ukł. 4021 Code Sample 1.1 Hello World
// ******************************************* ************** //
// Nazwa : shiftIn Example 1.1                                //
// Autor : Carlyn Maw                                         //
// Data  : 25 stycznia 2007 r.                                //
// Wersja: 1.0                                                //
// Uwagi : Kod do korzystania z rejestru przesuwnego CD4021B  //
//       :                                                    //
// ******************************************* ****************

// Zdefiniuj, gdzie są twoje szpilki
int latchPin = 8;
int dataPin = 9;
int clockPin = 7;

// Definiuj zmienne do przechowywania danych
// dla rejestru przesuwnego.
// pomoc od liczb niezerowych
// rozwiązywanie problemów
byte switchVar1 = 72; // 01001000

void setup () {
  // uruchom serial
  Serial.begin (9600);

  // zdefiniuj tryby pinów
  pinMode (latchPin, OUTPUT);
  pinMode (clockPin, OUTPUT);
  pinMode (dataPin, INPUT);

}

void loop () {

  // Pulsuj zatrzask:
  // ustaw go na 1, aby zbierać dane równoległe
  digitalWrite (latchPin, 1);
  // ustaw go na 1, aby zbierać dane równoległe, poczekaj
  delayMicroseconds(20);
  // ustaw wartość 0, aby przesyłać dane szeregowo
  digitalWrite (latchPin,0);

  // podczas gdy rejestr przesuwny jest w trybie szeregowym
  // odbierz każdy rejestr przesuwny do bajtu
  // rejestr dołączony do chipa pojawia się jako pierwszy
  switchVar1 = shiftIn (dataPin, clockPin);

  // Wydrukuj wyniki.
  // prowadzące 0 w górnej części bajtu
  // (7, 6, 5 itd.) Zostanie wcześniej usunięty
  // pierwszy pin, który ma wysokie wejście
  //czytanie
  Serial.println (switchVar1, BIN);

//Biała przestrzeń
Serial.println ("-------------------");
// opóźnienie, aby wszystkie te wydruki mogły nadążyć.
 delay (500);

}

// ------------------------------------------------ koniec pętli głównej

////// ---------------------------------------- Funkcja shiftIn
///// po prostu potrzebuje lokalizacji pinów danych i pinów zegara
///// zwraca bajt z każdym bitem w odpowiadającym bajcie
///// do szpilki na rejestrze przesuwnym. leftBit 7 = Pin 7 / Bit 0 = Pin 0

 byte shiftIn (int myDataPin, int myClockPin) {
 int i;
 int temp = 0;
 int pinState;
 byte myDataIn = 0;

  pinMode (myClockPin, OUTPUT);
  pinMode (myDataPin, INPUT);
// będziemy trzymać pinezkę wysoko 8 razy (0, .., 7) na
// koniec każdego czasu przez pętlę for

// na początku każdej pętli, gdy ustawimy niski czas, będzie
// rób konieczny mały do ​​wysokiego spadek, aby spowodować przesunięcie
// Rejestrowanie DataPin w celu zmiany stanu na podstawie wartości
// następnego bitu w jego szeregowym przepływie informacji.
// Rejestr przesyła informacje o pinach od pinu 7 do pinu 0
// dlatego właśnie nasza funkcja odlicza
  for (i=7; i>=0; i--)
  {
    digitalWrite(myClockPin, 0);
    delayMicroseconds(0.2);
    temp = digitalRead(myDataPin);
    if (temp) {
      pinState = 1;
      // ustaw bit na 0 niezależnie od tego
      myDataIn = myDataIn | (1 << i);
    }
    else {
      // wyłącz to - tylko niezbędne do debugowania
     // instrukcja print, ponieważ myDataIn zaczyna się od 0
      pinState = 0;
    }

    // Debugowanie instrukcji drukowania
    //Serial.print(pinState);
    //Serial.print ("");
    //Serial.println (dataIn, BIN);

    digitalWrite(myClockPin, 1);

  }
  // debugowanie instrukcji drukowania w białych znakach
  //Serial.println ();
  //Serial.println(myDataIn, BIN);
  return myDataIn;
}



Projekt B- podłączenie dwóch ukł. 4021


Dokument do wydruku w pdf
Arduino-Diagram2x4021-Dok.A4-poziomy.pdf


Pozdrawiam
« Ostatnia zmiana: Grudnia 03, 2017, 20:03:33 wysłana przez KosiMazaki »

Odp: Arduino - bibloteka Joystick.h, przyciski, Hat i układ 4021.
« Odpowiedź #1 dnia: Grudnia 03, 2017, 23:11:40 »
Bawiłem się tą biblioteką ratując rękojeść od Cougara. Jest prosta i przyjemna w obsłudze. Zamiast rejestrów wykorzystałem MCP23017, który pozwala na rozszerzenie za pomocą I2C do 16 wejść. Jedyny minus rozwiązania na ekspanerach to długość magistrali. Całą rękojeść do Cougara udało mi się zastąpić dwoma ekspanderami, dzięki czemu z 5 przewodów zrobiło się 4. Pisałem o tym trochę w wątku F-16 na WAT.

Odp: Arduino - bibloteka Joystick.h, przyciski, Hat i układ 4021.
« Odpowiedź #2 dnia: Grudnia 04, 2017, 00:42:25 »
Witam.
Bawiłem się tą biblioteką ratując rękojeść od Cougara.
@maciej jak masz czas i chęć to możesz zamieścić kolejny Temat odnośnie  ekspandera PCF8574. Z tego co pamiętam nie działały razem biblioteki Joystick.h i PCF8574.h może teraz  z tą ArduinoJoystickLibrary-version-2.0 będzie OK.
« Ostatnia zmiana: Grudnia 04, 2017, 07:50:18 wysłana przez KosiMazaki »

Odp: Arduino - bibloteka Joystick.h, przyciski, Hat i układ 4021.
« Odpowiedź #3 dnia: Grudnia 04, 2017, 00:51:38 »
Potwierdzam, po którymś z updateów Arduino IDE - biblioteka Joystick.h przestała współpracować z PFC8574.h - prawdopodobnie coś z przerwaniami się pozmieniało.

Odp: Arduino - bibloteka Joystick.h, przyciski, Hat i układ 4021.
« Odpowiedź #4 dnia: Grudnia 04, 2017, 22:37:19 »
Witam.@maciej jak masz czas i chęć to możesz zamieścić kolejny Temat odnośnie  ekspandera PCF8574. Z tego co pamiętam nie działały razem biblioteki Joystick.h i PCF8574.h może teraz  z tą ArduinoJoystickLibrary-version-2.0 będzie OK.

Ja robiłem to na MCP23017 bez dodatkowych bibliotek bez obsługi przerwań.

Odp: Arduino - bibloteka Joystick.h, przyciski, Hat i układ 4021.
« Odpowiedź #5 dnia: Grudnia 13, 2017, 17:43:38 »
Nieco inne rozwiązanie wykorzystujące sprzętową magistralę SPI zamiast ręcznego machania bitami, jak w przykładzie ze strony Arduino.
Zakładam, że mamy ileś tam układów CD4021 połączonych w łańcuch wg poniższego schematu.
W programie definiujemy ilość układów:
const int CD4021_liczba_ukladow = 2;  // - musi byc wieksza lub rowna 1
Przetestowałem układ na 2 sztukach, bo tyle akurat miałem pod ręką. Każdy z układów występuje w programie jako "bank" 8 wejść.
Program automatycznie odczytuje stany wejść, odrwaca je (wejścia są zwierane do masy, taki układ jest bardziej odporny na ew. pomyłki i uszkodzenia) filtruje je (eliminacja drgań styków) i podaje w postaci tablicy 8 bitowych wartości "CD4021_bank_przyciskow_filtr". Indeks w tej tablicy odpowiada bankowi lub numerowi układu - numeracja jest od zera, a poszczególne bity stanom wejść w tymże układzie.
Czyli np., żeby pobrać sobie stan przycisku nr 3 (numeracja jest od 0 do 7) z drugiego CD4021 w kolejce i zastosować go w bibliotece joystika możemy użyć takiego kodu:
if (CD4021_bank_przyciskow_filtr[1] & (1<<3) joystick.pressButton(3);
else joystick.releaseButton(3);
 
Można też użyc przeznaczonej do tego funkcji:
uint8_t CD4021_odczytaj_stan_przycisku(uint8_t bank, uint8_t numer_przycisku)
która zwraca 1 jeśli przycick jest wciśnięty lub 0 jeśli nie. Tą funkcję można również bezpośrednio użyć z biblioteką joystick.h:
joystick.setButton(3,CD4021_odczytaj_stan_przycisku(1, 3));

Do obsługi HATów napisałem dodatkową funkcję, która przetwarza wejścia stanów góra, lewo, dól, prawo na wartość kątową.
int16_t CD4021_odczytaj_hat(uint8_t bank, uint8_t pinUp, uint8_t pinR, uint8_t pinDwn, uint8_t pinL)
Podajemy "bank", czyli do którego scalaka 4021 podpięty mamy HAT i bity, pod które podłączone są poszczególne wyjścia. W zamian dostajemy kąt, który wstawia się bezpośrednio do
Joystick.setHatSwitch(0,CD4021_odczytaj_hat(1, 0,1,2,3));
Kod napisany jest w większości po polsku ze sporą ilością komentarzy. Mam nadzieję, że będzie zrozumiały i prosty w modyfikowaniu pod własne potrzeby.
Wymagane są dwie biblioteki: Joystick i TimerOne. Linki do nich podane są w nagłówku programu.
Program obsługuje dodatkowo 8 wejść analogowych. Niestety, ale z biblioteką Joystick chyba jest coś nie tak, bo nie udało mi się uzyskać pełnych 8 osi. Windows widzi tylko 7. Problem wystapił nie tylko u mnie - zgłaszali go również inni użytkownicy na githubie.

Schemat:


Pełny kod programu:
#include <Arduino.h>
#include <SPI.h>
#include <TimerOne.h>
#include "Joystick.h"
/*
 * Przykladowy program uzywajacy rejestrow CD4021 jako wejsc przyciskow
 * (c) 2017 Piotr Zapart
 *
  Wymagane biblioteki:
  Joystick:       https://github.com/MHeironimus/ArduinoJoystickLibrary
  TimerOne:     https://github.com/PaulStoffregen/TimerOne
*/
// ############################## OSIE ANALOGOWE #############################################################
// zakladamy, ze max dostepnych bedzie do 8 osi analogowych: A0, A1, A2, A3, A6, A7, A8, A9

const int k_Ravg_size = 7;            //stopien usredniania wartosci ADC (2^n -1)
const uint16_t k_LPfltFeedforward = 10;     //prog zadzialania filtra

// definiujemy kolejnosc skanowania osi analogowych
int ADC_kolSkanowania[] = {A0, A1, A2, A3, A6, A7, A8, A9};

const int ADC_iloscOsi = sizeof(ADC_kolSkanowania) / sizeof(ADC_kolSkanowania[0]);
static volatile uint16_t ADC_rawData[ADC_iloscOsi];     //dane odczytane prosto z ADC
static volatile uint16_t ADC_filteredData[ADC_iloscOsi];  //

void ADCLowPassFilter(void);
// #############################################################################
#define WLACZ_FILTR_OSI   1   //1= filtrowanie osi wlaczone, 0 = wylaczone
// #############################################################################

void ADC_odczytajOsie(void)
{
  for (int i = 0; i < ADC_iloscOsi; ++i)
  {
    ADC_rawData[i] = analogRead(ADC_kolSkanowania[i]);
  }
}
//##############################################################################
// Martwa strefa w centrum skali
uint16_t applyDeadZone(uint16_t data16bit, uint8_t deadZone)
{
  uint16_t output;
  uint32_t t32;
  if (deadZone > 14)  deadZone = 14;

  if (data16bit & (1 << 15))
  {
    data16bit = data16bit - 0x7FFF;
    t32 = ((uint32_t)data16bit) * data16bit;
    output = t32 >> 15;
    if (data16bit > (uint16_t)(1 << deadZone))
    {
      output = map(data16bit, (1 << deadZone), 0x7FFF, output, 0x7FFF);
    }
    output += 0x7FFF;
  }
  else
  {
    t32 = ((uint32_t)data16bit) * data16bit;
    output = (data16bit << 1) - (t32 >> 15); //2*data - (data^2)
    if (data16bit < (0x7FFF - (uint16_t)(1 << deadZone)))
    {
      output = map(data16bit, 0, (0x7FFF - (1 << deadZone)), 0, output);
    }
  }
  return output;
}
//##############################################################################
void ADCLowPassFilter(void)
{
  static volatile uint32_t filt[ADC_iloscOsi];
  uint16_t temp16;
  uint8_t i;

  for (i = 0; i < ADC_iloscOsi; ++i)
  {
    temp16 = ADC_rawData[i];
    if ((temp16 > (filt[i] + k_LPfltFeedforward)) ||
        ((filt[i] > k_LPfltFeedforward) &&
         (temp16 < (filt[i] - k_LPfltFeedforward))))
    {
      filt[i] = temp16;
    }
    else
    {
      filt[i] *= k_Ravg_size;
      filt[i] += temp16;
      filt[i] /= (k_Ravg_size + 1);
    }
    ADC_filteredData[i] = filt[i];
  }
}

// ############################## PRZYCISKI I HATy ###########################################################
const int CD4021_liczba_ukladow = 2;  // - musi byc wieksza lub rowna 1

#define PIN_SCK          15             // SPI clock - podlaczony do wejsc 10 w CD4021 (CLK)
#define PIN_MISO         14             // SPI data input - podlaczony do wyjscia pierwszego CD4021 (Pin 3)
#define PIN_MOSI         16             // SPI data output - nie uzywany, nie podlaczac do niczego
#define PIN_LOAD         7              // do pin9 we wszystkich CD4021

volatile uint8_t CD4021_bank_przyciskow_filtr[CD4021_liczba_ukladow];//tablica zawierajaca stan wejsc po eliminacji drgan stykow (filtr cyfrowy)

//deklaracje funkcji
void CD4021_odczytaj_wejscia(void);
uint8_t CD4021_odczytaj_stan_przycisku(uint8_t bank, uint8_t numer_przycisku);


/* HAT dekoder
    bit0 = UP
    bit1 = RIGHT
    bit2 = DOWN
    bit3 = LEFT
*/
const int16_t CD4021_hat_decoder[13] PROGMEM =
{
  -1,   // B0000 OFF
  0,    // B0001 UP
  90,   // B0010 RIGHT
  45,   // B0011 UP+RIGHT
  180,  // B0100 DOWN
  -1,   // B0101 OFF
  135,  // B0110 DOWN+RIGHT
  -1,   // B0111 OFF
  270,  // B1000 LEFT
  315,  // B1001 UP+LEFT
  -1,   // B1010 OFF
  -1,   // B1011 OFF
  225   // B1100 DOWN+LEFT
};

Joystick_ Joystick( JOYSTICK_DEFAULT_REPORT_ID,                     //hidReportId
                    JOYSTICK_TYPE_JOYSTICK,                         //joystickType
                    32,                                             //ilosc przyciskow
                    2,                                              //ilosc HATow
                    true,                                           //includeXAxis
                    true,                                           //includeYAxis
                    true,                                           //includeZAxis
                    true,                                           //includeRxAxis
                    true,                                           //includeRyAxis
                    true,                                           //includeRzAxis
                    true,                                           //includeRudder
                    true,                                           //includeThrottle
                    true,                                          //includeAccelerator
                    true,                                          //includeBrake
                    true);                                         //includeSteering


//#############################################################################################################
void CD4021_odczytaj_wejscia(void)
{
  uint8_t index, i, input;
  static uint8_t count0[CD4021_liczba_ukladow], count1[CD4021_liczba_ukladow];

  digitalWrite(PIN_LOAD, LOW);
  SPI.beginTransaction(SPISettings(2000000, MSBFIRST, SPI_MODE0));  //taktowanie SPI 2MHz
  for (index = 0; index < (CD4021_liczba_ukladow); index++)
  {
    input = SPI.transfer(0x00);
    i = CD4021_bank_przyciskow_filtr[index] ^ ~input;
    count0[index] = ~( count0[index] & i );
    count1[index] = count0[index] ^ (count1[index] & i);
    i &= count0[index] & count1[index];
    CD4021_bank_przyciskow_filtr[index] ^= i;
  }
  SPI.endTransaction();

  digitalWrite(PIN_LOAD, HIGH);
}
//#############################################################################################################
// numeracja przyciskow zaczyna sie od zera, czyli dla 24 przyciskow numery sa 0...23
uint8_t CD4021_odczytaj_stan_przycisku(uint8_t bank, uint8_t numer_przycisku)
{
  if (bank > CD4021_liczba_ukladow) return 0; //zabezpieczenie
  if (CD4021_bank_przyciskow_filtr[bank] & (1 << numer_przycisku))  return 1; //stan wysoki=OFF
  else                      return 0; //stan niski = ON
}
//#############################################################################################################
/*
    Funkcja obslugujaca przelaczniki HAT. Jako argumenty podajemy:
    bank : czyli numer ukladu CD4021 do ktorego podlaczony jest dany HAT
    pinUp...pinL: wejscia CD4021 do ktorych podlaczone sa poszczegolne kierunki.
  Funkcja zwraca wartosc kata, ktora bezposrednio mozna uzyc w bibliotece Joystick.h
  Przyklad: HAT0 podlaczony jest do drugiego CD4021 w kolejnosci (bank 1) do pinow 0, 1 2 3
      Numer HATa          bank  piny
              |             |     |
  Joystick.setHatSwitch(0,CD4021_odczytaj_hat(1,  0,1,2,3));
*/
int16_t CD4021_odczytaj_hat(uint8_t bank, uint8_t pinUp, uint8_t pinR, uint8_t pinDwn, uint8_t pinL)
{
  uint8_t hat_index = 0;
  if (bank > CD4021_liczba_ukladow)   return -1;  //zabezpieczenie
  if (CD4021_bank_przyciskow_filtr[bank] & (1 << pinUp))  hat_index |= (1 << 0); else hat_index &= ~(1 << 0);
  if (CD4021_bank_przyciskow_filtr[bank] & (1 << pinR))   hat_index |= (1 << 1); else hat_index &= ~(1 << 1);
  if (CD4021_bank_przyciskow_filtr[bank] & (1 << pinDwn)) hat_index |= (1 << 2); else hat_index &= ~(1 << 2);
  if (CD4021_bank_przyciskow_filtr[bank] & (1 << pinL))   hat_index |= (1 << 3); else hat_index &= ~(1 << 3);

  return  (int16_t)(pgm_read_word(&CD4021_hat_decoder[hat_index]));
}
//#############################################################################################################
/*
  Pomocnicza funkcja do testowania stanow wejsc rejestrow CD4021.
  Wywolana w petli glownej wydrukuje stan wejsc ukladow jest nastapi jakakolwiek zmiana.
  Dane wysylane sa na sprzetowy port Serial1 - wymagane jest podlaczenie konwertera UART/USB:
  konwerter GND - Arduino GND
  konwerter RX - Arduino TX (pin 0)
*/
void CD4021_printSerial(void)
{
  static uint8_t stanCD4021_hist[CD4021_liczba_ukladow];
  for (uint8_t i = 0; i < CD4021_liczba_ukladow; i++)
  {
    if (CD4021_bank_przyciskow_filtr[i] != stanCD4021_hist[i])
    {
      Serial1.print(F("Bank#")); Serial1.print(i); Serial1.print(F("= "));
      for (uint8_t mask = 0x80; mask; mask >>= 1)
      {
        Serial1.print(mask & CD4021_bank_przyciskow_filtr[i] ? '1' : '0');
      }
      Serial1.println();
    }
    stanCD4021_hist[i] = CD4021_bank_przyciskow_filtr[i];
  }
}
//#############################################################################################################
void setup()
{
  Serial1.begin(115200);

  pinMode(PIN_SCK, OUTPUT);
  pinMode(PIN_MOSI, OUTPUT);
  pinMode(PIN_MISO, INPUT_PULLUP);
  pinMode(PIN_LOAD, OUTPUT);
  digitalWrite(PIN_LOAD, LOW);      //LOAD ustawiony na zero powoduje, ze wejscia CD4021 sa caly czas "skanowane"

  // Ustawiamy zakres wartosci dla osi analogowych
  Joystick.setXAxisRange(0, 1023);
  Joystick.setYAxisRange(0, 1023);
  Joystick.setZAxisRange(0, 1023);
  Joystick.setThrottleRange(0, 1023);
  Joystick.setRudderRange(0, 1023);
  Joystick.begin(false);

  Timer1.initialize(15000);             //15ms
  Timer1.attachInterrupt(CD4021_odczytaj_wejscia);  //funkcja wywolywana co 15ms: odczytuje i filtruje wejscia z lancucha CD4021
}
//#############################################################################################################
void loop()
{
  // Dane z lancucha rjestrow CD4021 odbierane sa automatycznie w cyklicznych przerwaniach co 15ms
  // Odklocanie zabiera 4 cykle, co daje w sumie 60ms.

  //dla przykladu, obslugujemy pojedynczy przcisk, np nr 4 z banku 0
  //Joystick.setButton(4,CD4021_odczytaj_stan_przycisku(0,4));

  /*  Przykladowo mamy podlaczone dwa CD4021:
    uklad 0: 8 CD4021_bank_przyciskow
    uklad 1: dwa HATy
  */
  //odczyt 8 przyciskow z ukladu (bank) 0
  for (int i = 0; i < 8; i++)
  {
    Joystick.setButton(i, CD4021_odczytaj_stan_przycisku(0, i));
  }

  //HAT0 podlaczony do wejsc 1,2,3,4 ukladu nr 1 (numeracja pinow od zera)
  //                                          bank, piny
  Joystick.setHatSwitch(0, CD4021_odczytaj_hat(1,  0, 1, 2, 3));
  //HAT1 podlaczony do wejsc 5,6,7,8 ukladu nr 1
  //                                          bank, piny
  Joystick.setHatSwitch(1, CD4021_odczytaj_hat(1,  4, 5, 6, 7));

  // CD4021_printSerial(); // w ramach podgladu stan wejsc wysylany jest na port Serial1 (115200 8N1)

  /*  Osie analogowe.
    Dane z przetwornikow ADC sa usredniane (redukcja szumu) i ew. dodana
    jest martwa strefa. Nastepnie tak obrobione dane wpisywane sa jako koncowe
    wartosci dla osi analogowych joysticka

  */
  ADC_odczytajOsie();     //zbiera dane z wejsc analogowych

#if (WLACZ_FILTR_OSI==1)

  ADCLowPassFilter();

  Joystick.setXAxis( ADC_filteredData[0] ); // os X = A0
  Joystick.setYAxis( ADC_filteredData[1] ); // os Y = A1
  Joystick.setZAxis( ADC_filteredData[2] ); // A2
  Joystick.setRxAxis( ADC_filteredData[3] );  // A3
  Joystick.setRyAxis( ADC_filteredData[4] );  // A6
  Joystick.setRzAxis( ADC_filteredData[5] );  // A7
  Joystick.setThrottle( ADC_filteredData[6] );  // A8
  Joystick.setAccelerator( ADC_filteredData[7] ); // A9
#else
  Joystick.setXAxis( ADC_rawData[0] );  // os X = A0
  Joystick.setYAxis( ADC_rawData[1] );  // os Y = A1
  Joystick.setZAxis( ADC_rawData[2] );  // A2
  Joystick.setRxAxis( ADC_rawData[3] ); // A3
  Joystick.setRyAxis( ADC_rawData[4] ); // A6
  Joystick.setRzAxis( ADC_rawData[5] ); // A7
  Joystick.setThrottle( ADC_rawData[6] ); // A8
  Joystick.setAccelerator ( ADC_rawData[7] ); // A9

#endif

  // w tym momencie mamy juz uaktualnione wszystkie dane i mozemy je wyslac do PC via USB
  Joystick.sendState();
}


Odp: Arduino - bibloteka Joystick.h, przyciski, Hat i układ 4021.
« Odpowiedź #6 dnia: Grudnia 13, 2017, 21:04:03 »
Jak zwykle profesjonalna robota, gratulacje.

Odp: Arduino - bibloteka Joystick.h, przyciski, Hat i układ 4021.
« Odpowiedź #7 dnia: Grudnia 14, 2017, 22:18:13 »
@3.14ter Dzięki za kod  :564: teraz  tylko sprawdzać i udoskonalać.