Autor Wątek: Mjoy  (Przeczytany 180148 razy)

0 użytkowników i 2 Gości przegląda ten wątek.

Odp: Mjoy
« Odpowiedź #945 dnia: Stycznia 08, 2016, 15:03:44 »
Przy okazji coś zauważyłem, błąd w projekcie tej płytki.To nie jest błąd, tak było na schemacie. Podpięcie do VCC przez rezystor nic nie da.

Odp: Mjoy
« Odpowiedź #946 dnia: Stycznia 08, 2016, 20:01:54 »
Chodziło mi właśnie o błąd w schemacie. Gdy robiłem swoją płytkę jakoś nie zauważyłem, że tu czegoś brakuje.

Ale racja, to nic nie dało.

Znalazłem kabel USB, jutro go wlutuję. Ale martwi mnie coś innego: zwarłem dosłownie wszystkie osie do masy, podłączam MJoy i oczywiście się zawiesza, ale już nic nie wariuje, wszystkie osie są stabilne. ALE 7 osi jest w pozycji 0, z wyjątkiem jednej. Jedna oś jest stabilna w pozycji około 60%. Mimo, że jest zwarta do masy. Czemu? Takie coś nie ma prawa się stać gdy oś jest zwarta do masy. Przetwornik ADC w procku mi poszedł?

Odp: Mjoy
« Odpowiedź #947 dnia: Stycznia 12, 2016, 15:37:38 »
Po pomiarach zauważyłem, że w przypadku tej jednej osi źle polutowałem pin masy.

Wymieniłem procesor i nadal mam problem. Sprawdzę po raz trzeci wszystko na płytce, ale mam jeszcze dwa pytania:
-Jakie dokładnie Fuse Bity mają być włączone i co daje wgranie pamięci Eprom?
-Czy może to być coś w PC?

Odp: Mjoy
« Odpowiedź #948 dnia: Stycznia 12, 2016, 18:10:01 »
Security bits : CKOPT, BOOTSZ1, BOOTSZ0 oraz SUTO.

Odp: Mjoy
« Odpowiedź #949 dnia: Stycznia 12, 2016, 18:59:29 »
Nie miałem CKOPT ale nadal nic...

Ponad rok działał i nagle przestał... No przecież to jest nielogiczne.

Odp: Mjoy
« Odpowiedź #950 dnia: Lutego 18, 2016, 20:53:13 »
Witam, złożyłem właśnie Mjoy16 z poprawą blue17 na płytce stykowej z Atmega16A PU (z wgranym plikiem hex). Mam problem teraz, tylko opisze krok po kroku co się stało:

Podejście nr 1.
Nie podłączam złącz pod przyciski wraz ani diod do nich, nie zwieram do GDN wyjść analogowych ani nie umieszczam rezystorów od R5 do R12.

Po podłączeniu do USB, komputer nie wykrywa urządzenia, a po chwili dławik L1 zaczyna dymić, szybko odłączam. Przeglądam płytkę i orientuje się że diodę D1 odwrotnie podłączyłem, poprawiam

podejście nr 2.
Jedyna zmiana to dobrze zamontowana dioda, po podłączeniu do kompa, nowe urządzenie jest wykrywane, aczkolwiek jako nie znane i niezdalne do działania. Dławik znowu zaczyna dymić.


Teraz, pytania.

1. Czy podejście nr. 2 było już skazane na niepowodzenie ze względu na uszkodzenie dławika za pierwszym podejściem? Po za dymieniem nie zauważyłem wycieków i dlatego spróbowałem jeszcze raz.
2. Czy wykrycie ale nie rozpoznanie urządzenia to wina dławika czy może samego układu? Znalazłem w internecie opinie jakoby Atmega16A PU nie działała w tym projekcie. Było by to nie fajne ze względu na to że wszędzie gdzie nie pójdę to nie ma Atmega16 tylko wszędzie Atmega16A.
3. Do samego sprawdzenia czy układ jest wykrywany przez komputer, muszę składać resztę układu? Chodzi o rezystory R5-R12, diody z gniazdami pod przyciski i ewentualnie zewrzeć z masą piny analogów scalaka?

Odp: Mjoy
« Odpowiedź #951 dnia: Lutego 19, 2016, 00:28:53 »
Przepraszam za post pod postem ale nie widzę możliwości edytowania poprzedniej wiadomości.

Znalazłem zapasowe dławiki, podłączyłem rezystory i nawet piny analogowe scalaka podłączyłem do masy. Nic nie pomogło, nadal komputer nie rozpoznaje urządzenia, a po chwili dławik zaczyna dymić, teraz dopiero zauważyłem jedną rzecz, diody D1 i D2 użyłem prostowniczych zamiast zenera. Jutro po pracy pójdę takowe kupić (i zapas dławików), teraz tylko pytanie, czy złe diody mogły powodować dymienie czy raczej nie i powinienem szukać gdzie indziej problemu? Przejrzałem płytkę już paręnaście razy i naprawdę niewydajne mi się bym tam popełnił błąd.

Odp: Mjoy
« Odpowiedź #952 dnia: Lutego 19, 2016, 08:37:24 »
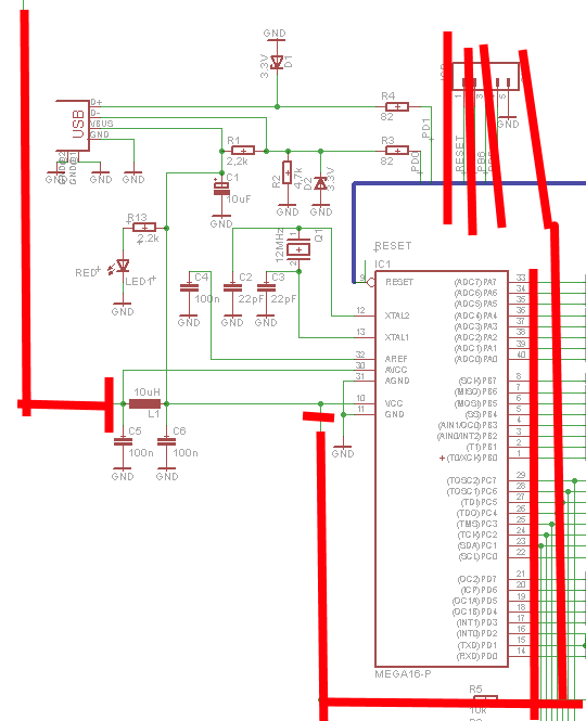
Masz dwa problemy do rozwiązania. Rozpoznawanie przez pc MJoy oraz zwarcie dławika. Pierwszy problem był już wielokrotnie omawiany i może uda się Tobie go rozwiązać.  Diody muszą być Zenera. Zwarcie dławika można szybko zlokalizować wystarczy omomierz. Dławik jest połączony do uP do pin 10 oraz pin 30 oraz do kondensatorów 0.1 uF. Wyjście dławika AVCC jest połączone do 8 złącz analogowych. Masz zwarcie na wyjściu dławika AVCC do masy gnd. Można to znaleźć omomierzem.

Odp: Mjoy
« Odpowiedź #953 dnia: Lutego 19, 2016, 18:36:23 »
[..] Dławik jest połączony do uP do pin 10 oraz pin 30[...]


Może powinienem był zaznaczyć to na początku, jestem początkujący jeśli chodzi o elektronikę i średnio wiem o co chodzi z "uP".


Za to co zaraz zobaczycie pewnie mnie pojedziecie (proszę o wyrozumiałość) ale wrzucam zdjęcie schematu układu jaki aktualnie mam złożony,  czerwonymi kreskami podcinałem i zamalowałem to czego nie ma (wykorzystałem schemat Mjoy'a z Eagle'a). Piny PD0 i PD1 są oczywiście podłączone do rezystorów R3 i R4, nie wiedziałem jak to zobrazować jednocześnie odcinając wszystko inne, stąd ten opis słowny.


Mocno spaprałem sprawę?
Vito_zm wspominał o zwarciach, możecie powiedzieć gdzie i jak ich szukać? Miernik oczywiście mam i jak dotykam drutów jakieś wartości otrzymuje, tylko szczerze mówiąc nie wiem co z nich wynika. Tam gdzie ma być, jest połączenie, diody do wyjść D+ i D- z USB wymienione na zenera, dioda led na płytce się świeci, komputer wykrywa urządzenie (lecz go nie rozpoznaje).

Odp: Mjoy
« Odpowiedź #954 dnia: Lutego 19, 2016, 22:31:23 »
uP to skrót od mikroprocesora. Ponieważ masz odcięty dławik od 8 gniazd gdzie są połączone potencjometry to dławik się nie pali. Zwarcie można zmierzyć omomierzem po odłączeniu sznura USB od pc. To odcięte połączenie dławika od strony potencjometrów względem gnd powinno pokazywać zero om na mierniku. Z tego co napisałeś oraz z schematu wynika, że pc powinien widzieć MJoy w panelu sterowania- kontrolery (np. w WinXP). Jeśli widzi inną nazwę to masz problem o którym wspomniałem poprzednio. U niektórych kolegów z forum jest prawidłowa nazwa u innych zmienia się po jakimś czasie. Ja z tym sobie nie poradziłem i zrezygnowałem z MJoy16, ale może Tobie się uda. Może ktoś Tobie coś poradzi.

Odp: Mjoy
« Odpowiedź #955 dnia: Lutego 20, 2016, 01:29:17 »
Dzięki wielkie za pomoc, po przez hub'a usb udało mi się wyeliminować dymienie dławika, niestety nie pomogło nic na nierozpoznawanie urządzenia. Chyba sobie daruje po prostu. To tylko jedno pytanie, jest jakiś zamiennik Mjoy'a? Coś nieskomplikowanego na czym można sobie zrobić pudło z guziorami i przełącznikami (ewentualnie do tego oś analogową)?

Odp: Mjoy
« Odpowiedź #956 dnia: Lutego 20, 2016, 09:03:32 »
Jest DMKeys8, ale tylko przyciski, przełączniki oraz enkodery brak analogów. Kontakt przez pw z damos z forum.

Odp: Mjoy
« Odpowiedź #957 dnia: Maja 12, 2016, 15:35:14 »
Ehh, minęły 2 lata, i się do tej pory nie poddałem. Daję temu joystickowi ostatnią szansę. Jeśli teraz nie zadziała to biorę się za swój własny joystick z komunikacją przez RS232 (a może przez USB, jak ogarnę biblioteki USB).

Wszystkie elementy nowe. Wszystko złożone na płytce stykowej. Podpinam i... zdziwiłem się, bo działa. No prawie: wszystko zwarte do masy, wszystkie "słupki" osi na poziomie zero, z wyjątkiem osi "obrót X". Ta jest otwarta na 50% mimo zwarcia do masy.
Wgrywam wsad ponownie... nie działa. Jeszcze raz... nie działa. I jeszcze raz... nie działa. Zastanawiam się czy podpięty do procesora wyłączony programator może coś psuć. Odpinam go i... działa. Ale znowu tylko prawie: obrót X nadal na 50%, a jakby tego było mało to ponownie się MJoy16 zawiesza po 3 sekundach. Nie reaguje na nic, po prostu jest zamrożony. Osie i przyciski nie reagują.
Podpinam go do dość starego laptopa z Win XP... Działa, nie zamraża się, ale oś Obrót X jest w 50%, a pozostałe osi pomimo zwarcia do masy nie wyglądają jak zwarte do masy tylko do zasilania: słupki są stabilne, ale nie są na poziomie zero tylko na poziomie max.
No tylko na laptopie tego nie potrzebuję tylko na PC. Więc czy jest coś jeszcze co mogę zrobić aby to w końcu łaskawie zadziałało?? I czy może wie ktoś dlaczego MJoy działa jak działa, czyli nie działa? Konstrukcja? Złe części? Coś źle napisane w kodzie?

Odp: Mjoy
« Odpowiedź #958 dnia: Maja 12, 2016, 16:08:30 »
PS: No nie rozumiem... Mam teraz 2x MJoy16, podłączyłem oba... Dlaczego one teraz działają???

Odp: Mjoy
« Odpowiedź #959 dnia: Maja 13, 2016, 08:16:01 »
Dzisiaj podłączam i... No nadal działają. Ale jak pierwszy raz podłączyłem to jeden MJoy miał oś obrotu X na 50%, a drugi na 0%. Po drugim podłączeniu oba już miały na 50% mimo zwarcia do masy. Zaczynam się zastanawiać czy przypadkiem tak nie miało być od początku? Czy u Was też ta oś jest na 50%?

I jeszcze jedno: jeden MJoy w menedżerze urządzeń zmienił nazwę na IJoy, ale na liście zainstalowanych kontrolerów nadal mam 2x MJoy. Czy wszystko jest dobrze?